Мой отец увлекался электроникой. Дома был паяльник, провода, куча радиодеталей. Он с лёгкостью чинил телевизоры, холодильники — в качестве хобби. Я всегда был рядом.
В 10 лет мне подарили радио конструктор, я думаю у многих такой был.

Я собрал на нем все схемы, мне нравилось как они работали. Изучил все основные радиодетали. Потом купили радиоконструктор — «радиоприемник в корпусе». Надо было уже паять, он тоже скоро был готов и отлично работал. Я продолжал делать небольшие схемки. Платы — лак и стеклянные трубочки. Но потом увлёкся программированием. Освоил Си, потом Си++. По окончанию университета, стал работать программистом, чем и занят по сей день.
Когда у меня подрос сын, я решил его тоже научить электронике. Взял свой старый пыльный конструктор и … сын его «выкинул». Что это за хлам, зачем мне пищать разными тонами. Какие- то не интересные схемы. Я задумался, и стал смотреть, чем можно заменить его. Знаток и другие конструкторы, были в общем-то аналогичны. И тут я случайно наткнулся на Arduino. Вот то, что нужно. Электроника и программирование в одном флаконе.

Купили плату и стали заниматься программированием, и изучать электронику. Поделав различные задания, накупив кучу датчиков, встал вопрос — чего делать дальше. Сын спросил— а что можно реальное сделать на Arduino? Мы провели мозговой штурм и составили перечень интересных, полезных приборов, которые было бы интересно сделать. Начали думать, как мы их будем делать. Первым нашим прибором стал велокомпьютер. У нас как раз были велосипеды на всю семью, вот их и надо было оснастить мощным вычислительным центром на микроконтроллере. Мы набросали программу в Arduino, датчики — кнопки, все отлично работало. Осталось дело за малым — собрать все в коробочку и пользоваться.
Мне хотелось научить сына паять, и показать, что если захотеть, то можно сделать красивый компактный современный прибор самостоятельно, а не покупать его. Пришлось вспоминать былые навыки. Как же все изменилось…
Мои знакомые выводные резисторы заменились на SMD компоненты. Очень сложные платы можно было делать дома с помощью лазерного принтера. Схемы можно тестировать в симуляторах. В интернет очень много информации, схемы, курсы по программированию. Я стал во всем этом разбираться.
Все должно быть недорого. Если сгорит, то не жалко. Это ведь первый прибор. Посмотрели, что продаётся на рынке. Как правило, все велокомпьютеры крепятся на руле, имеют экран, защищены от дождя, имеют один или два датчика (на колесо и на педали). Они могут посчитать пробег, показать текущую скорость, каденс (количество оборотов педалей), время поездки, потраченные калории и другие показатели.
Экран решили исключить. Как правило они или дорого стоят (в виде готовых плат) или их сложно припаять (например экран от сотового), да и программу он сильно усложняет. У нас уже была практика общения с bluetooth модулем. Его решили и взять на замену экрана.

Экраном, в итоге, будет смартфон, но смотреть туда будем редко, прибор автономный, а экран нужен будет, в основном, чтобы посмотреть итоги поездки или промежуточные данные. Bluetooth модуль позволяет на ходу программировать прибор, начать замер, устроить соревнование — все это легко.
Решили добавить звук — пищалку, так можно сигнализировать о разных событиях. Очень понравилась идея, что каденс должен быть не меньше 80, вот об этом и будем пищать. В качестве пищалки — динамик от сотового телефона:

Батарейки порядком надоели, решили осваивать аккумуляторы. У нас был небольшой аккумулятор от детского вертолёта — его и берём, потом оказалось? что такой тяжело купить, поменяли на LIR2450.

Выбираем корпус. Понравился вот такой от компании Gainta.

У них очень широкий выбор корпусов. Правда есть минимальная сумма покупки, купили сразу наперёд, и на другие приборы тоже.
Микроконтроллер — конечно ATMEGA, как на Arduino. Сколько же он стоит — больше 100р в москве. Странно, в китае готовая Arduino всего 200р. Решил выбрать замену — Attiny, но она не очень понравилась. Я стал копать, и случайно наткнулся на серию stm8, stm8s003f3p всего 20руб, при том, что есть вся периферия. Отлично! Будем делать на нем. Правда среда другая, но там Си, который я знал. Так же плюсом стало наличие нормального отладчика, чем в Arduino очень не хватало!
Подбираем схемы зарядки li-ion. Довольно быстро я вышел на микросхему TP4056 — 10р, правда в Китае — заказываем десяток — пригодятся. Плата защиты от переразряда встроена в аккумулятор — так что не нужна. Но в принципе, у STM8 порог включения 3в, так что плат защиты особенно не нужна.
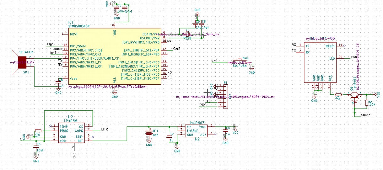
Все — схема готова, компоненты выбраны. Нужен программатор ST-link, купил готовый в Москве, как оказалось потом дорого, ну да ладно. Наша первая схема:

Сделали плату. ЛУТ методом не получилось. Нашли новый метод — путём холодного переноса тонера, с помощью ацетоном. Получилась отличная плата, правда конечно с небольшими косяками, метод потом довели до идеала. Пользуемся до сих пор. Плата готова. Ждём микросхемы из китая (TP4056 у нас купить не реально). Все приехало. Начинаем паять и видим, что при разводке микросхемы зарядки выбрали не тот корпус, очень похожи названия SO8, MSOP8! Но плата уже готова, переделывать лень, во второй версии учтём! Убираем функцию зарядки и делаем ее на отдельной плате. Проводками все замыкаем как надо.

Собираем все в корпус — обе дырки крепёжные не там. Ладно не беда, крепим вверх ногами, и подбиваем поролоном. Крепим кнопку — не крепится. Заливаем термоклеем — отваливается. В итоге делаем так:

На будущее — лучше было делать кнопку на плате сразу! Крепим пищалку — куча проводов, все мешается, но работает.

Для облегчения работы сыну, пришлось провести небольшую лекцию, что вместо одной функции надо писать другую:
Начали писать программу. Таймеры, кнопки, все через прерывания. Написали тестовую программу и перешли к тестированию. Первая строка кода — включаем bluetooth модуль. И тут получаем кризис «мозга». Сколько времени убито, чтобы решить проблему. Включаем bluetooth модуль и… МК перегружается. Что не так, все работает, конденсаторы на месте, модуль потребляет 30 мА, но не работает. Через 2 недели мучительных проверок, тестов и различных советов на форумах — причина найдена. На плате bluetooth модуля есть конденсаторы, при быстром включении модуля они заряжаются, питание МК резко проседает и он перегружается. В итоге ограничиваем линию питания модуля через резистор 10 ом (подобрали опытным путем) — все отлично работает. Правильнее было питать модуль от отдельного LDO.
Готова первая тестовая мини программа — пищим, считаем скорость и выдаём на телефон. Включаем — писк еле слышно. Оказалось питание у нас не 5в и потому тихо. Добавляем на отдельной мини платке — тразистор — отлично — слышно громко.

Прикручиваем на велосипед, планируем крепить на руль, припаяли длинные провода, сделали два датчика из ручки, залили термоклеем. Попробовали, и оказалось, что проще крепить на задней вилке. Провода собрали и связали — не нужны. В качестве магнита — детский конструктор.

Итак поехали. Вместо одного оборота — тысячи. Что за ерунда. Разбираемся, ага, дребезг контактов, ставим задержки — отлично работает. Проверяем скорость совпадает с GPS на телефоне. Начинаем заниматься энерго сбережением. Прибор должен спать очень долго и работать экономно.
Основная цель, на одном заряде прибор должен работать очень долго. Выключателя нет, будем использовать спящий режим. Прибор должен сам включаться, внешние прерывания от геркона, сам выключаться, если нет движения 2 минуты, то выключаемся. И самое главное, он должен сам собирать статистику по поездкам и хранить ее в памяти. Долго думали как определить, что такое одна поездка? И решили, что если в течение 3 часов не было движения, то поездка закончилась, и велосипед дома. Чтобы 3часа не работать в полном режиме, решено использовать режим сна, с таймером автопробуждения. Таймер можно завести максимум на 30 секунд, так что просыпаемся каждые 30 сек, уменьшаем счётчик, и так, пока не пройдет 3ч. Как прошло — поездка закончена фиксируем данные. Отладить данный алгоритм было не легко, компилятор пытался каждый раз помешать оптимизацией кода. Но, в итоге, все получилось.
По теоретическому расчёту, прибор должен спать больше года, МК в спящем режиме 4мка, если все отключить, отлично. Программируем спящий режим — проверяем. Спит 3 недели и батарея садится. Вместо 4мка — откуда то имеем больше 200мка. Опять все проверяем, и видим, что LDO потребляет в пассивном режиме 200мка.!!! Нашли. Надо менять схему! Пока тестируем дальше.
В отличие от велокомпьютеров, которые есть на рынке, решили добавить функционал. Наш прибор должен уметь:
Дописываем все эти функции. Задача не простая, но интересная — работа с массивами, условиями. На очередной новой функции получаем сообщение — программная память закончилась. У МК всего 8 кбайт. Жалко, что можно сделать? Начинаем анализировать лог, куда все ушло, и видим, что в стандартной библиотеке есть режим отладки и он включён, выключаем — получаем дополнительно 2кб памяти. Теперь хватает. В итоге, все функции влезли, и ещё чуть-чуть осталось.
Отдельно стоит рассказать про сам микроконтроллер STM8. Все это время он показывал себя просто отлично. Чего только с ним не делали, по ошибке. И питание подавали плюс на минус — жив, и на ножки подавали HIGH, при коротком замыкании на землю, тоже жив. В общем довольно надёжный микроконтроллер. Очень понравилось работать в отладчике. Почти как на компьютере. Симулятор помог отладить сложные функции, тоже удобно. В общем при такой цене, микроконтроллер просто отличный. А ещё есть версия с 32к флеша на борту, за 60 рублей, вообще супер.
Сын очень доволен, прибор работает как хотели! Устраиваем гонки, все лето катаемся с ним, оказалось за одну прогулку мы проезжали больше 14 км, раньше не задумывались об этом. По функциям прибор получился лучше покупного, жаль только не хватает экрана! Но буквально через месяц пользования про экран забываешь, изредка смотришь статистику, об остальном прибор сам оповещает. Отлично работает функция контроля каденса, помогает выбирать нужный скоростной режим.
Для остальных членов семьи делаем новую схему и переделываем плату. Учитываем ошибки:
Катались все лето, за 3 месяца аккумулятор ни разу не пришлось заряжать.
Проектом очень довольны. Оказалось от макета на Arduino, до конечного изделия — как океан переплыть, даже на таком просто приборе. Столько много мелких недоработок никто не ожидал встретить. Зато на практике проверили, что не так сложно перейти на другой класс микроконтроллеров, они оказались очень похожи между собой. Жалко, что smt8 не так распространён. Но, если писать простую программу, то хватает стандартной библиотеки от ST, все драйвера там есть — UART, I2C, SPI, ADC, EEPROM.
Подведём итоги. Готов реальный прибор, приносит пользу, работает до сих пор. Новый вариант полностью устраивает. Сын показал его всем своим друзьям — он просто молодец. Чего и вам желаем! Если вы все еще тестируете на что способна ваша Arduino, то подумайте, какой прибор вам нужен, чтобы вы хотели купить — и сделайте его сами! Вы получите море удовольствия и опыта.
Если же вам интересно сделать такой же велокомпьютер, то вся информация по проекту есть на github. Единственное, очень рекомендую, написать прошивку самостоятельно, чтобы заработать опыт! Делая этот прибор, вы научитесь:
Здравствуйте дорогие наши друзья и просто посетители. Сегодня мы хотим с вами поделиться впечатлениями о приобретенном нами планшете французской фирмы Archos. Полное его название Archos Cesium 90 и назвать его планшетом по нашему мнению будет не правильно!
И так давайте подробнее:
Подробнее...
Данный планшет компания Samsung представила в 2016 году. Как понятно из названия диагональ 7 дюймов.
Подробнее...